eMT™ - Electromagnetic Transient
Electromagnetic Transients Program
ETAP eMT provides an accurate and intuitive analysis software based on trusted EMT simulations powered by PSCAD's EMTDC engine. eMT is a simulator of AC power systems, low voltage, power-electronics, high-voltage DC transmission (HVDC), flexible AC transmission systems (FACTS), distribution systems, and complex controllers.
When necessary, ETAP eMT integrates with ETAP's Transient Stability program to offer eMTCoSim™ - CoSimulation of Electromagnetic Transients and Phasors to collectively solve large, complex, and multi-disciplinary system models with higher fidelity.
Line & Cable Systems
- Insulation coordination
- Switching
- Design
- Wideband line & cable models
Switching Transients / Surges
- Deterministic
- Probabilistic
- Single-pole switching
- High-speed reclosing
- Capacitor switching
- Fault clearing
- Transient-recovery voltages
Shaft Torsional Stress
- Sub-synchronous resonance
- Switching-induced
- Unwanted modes

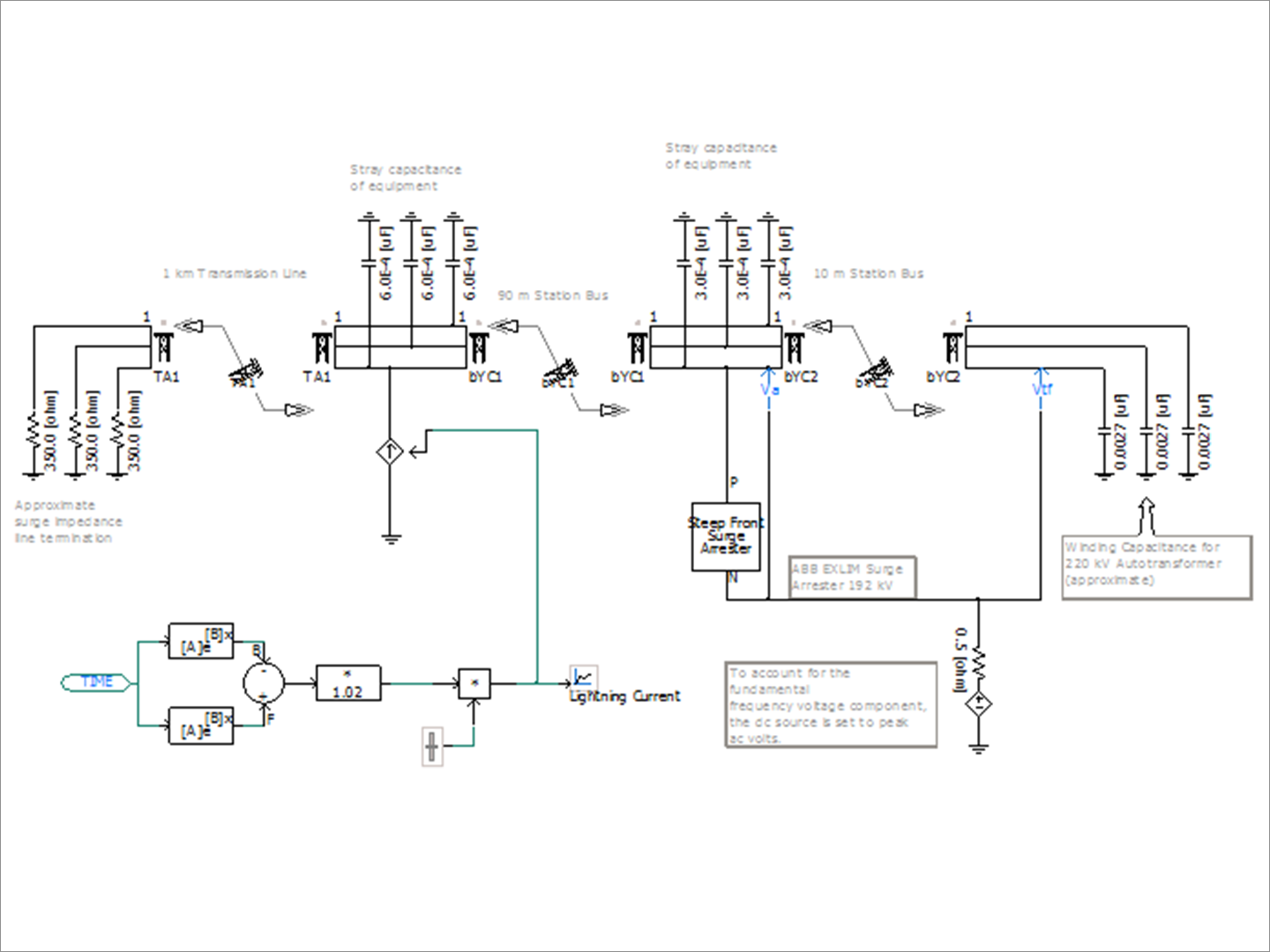
Lightning Surges & Ferro-Resonance
- Backflash
- Induced surges
- Incoming surges at stations
- Power oscillations
- Saturation problems
- Surge arrester influences
- Ferro-resonance
- Transformer-charging and capacitor-energization inrush currents

Switchgear & Synchronous Machines
- Shunt compensation
- Current chopping
- Delayed-current zero conditions
- Auto-excitation
- Non-linear and piecewise linear control systems

Power Electronics
- HVDC
- FACTS
- STATCOM
- eMT comes in several packages
eMT™ Unlimited Package
eMT software is a value-added feature to ETAP solutions and offered in two versions to simulate small to large networks.
eMT Pro Unlimited version offer the following capabilities:
- eMT™ Electromagnetic Transient Program - Professional License
- Unlimited Node with 8 Parallel Simulations*
- eMTCoSim™ CoSimulation of Electromagnetic transients & phasors (requires transient stability module)
- ETAP – PSCAD One-way Data Exchange Interface
eMT™ 200 Package
This version is perfect for simulating small systems and co-simulation studies. eMT 200 is fully featured and restricted to network size of 200 nodes (Note: control systems do not contribute to the node count).
- eMT™ Electromagnetic Transient Program - Professional License
- Total of 200 Nodes with 8 Parallel Simulations*
- eMTCoSim™ CoSimulation of Electromagnetic transients & phasors (requires transient stability module)
- ETAP – PSCAD One-way Data Exchange Interface
*Parallel Simulations
The parallel simulations feature permits projects to be run over multiple computer cores simultaneously, resulting in significantly faster results than when run in series over a single core. Parallel computing feature can
be expanded to 16, 32, and 64 Cores as an option.
Videos
Learn how Power Products integrates wind turbines for optimal BESS sizing for FPSO using ETAP
The transition towards sustainable energy sources is driving innovative solutions in the offshore oil and gas industry. The presentation delves into the integration of a Wind Turbine Generator (WTG) into an existing Floating Production Storage and Offloading (FPSO) vessel to reduce carbon emissions. The technical and operational challenges of this integration are discussed, including load balancing, intermittency of wind energy, transformer energization, motor starting, protection coordination, and maintaining operational reliability. The study utilizes simulations with tools like HOMERPRO, ETAP, and PSCAD to assess the technical feasibility of integrating the WTG and Battery Energy Storage System (BESS) into the FPSO power system. Various studies, including load flow, short circuit, motor acceleration, transient stability, voltage ride through, harmonic analysis, protection coordination, and transformer energization are conducted to ensure the effectiveness and efficiency of the proposed system. There is great potential for reducing the operational carbon footprint of FPSOs by incorporating renewable energy sources and using software simulations to address the complexities and considerations involved in such integration.
Efficient Design & Analysis with CoSimulation
Co-simulation is the cooperative simulation of a system model through different software packages. Collaborative simulation, as such, spans more physics domains and offers more insight than single-domain engines alone. Therefore, the collective composition of its parts enables multi-domain, multi-physics simulation results. ETAP CoSim™ enables ETAP simulation engines to collaborate and interact. For example, the ETAP Time Domain Power Flow can co-simulate with ETAP Harmonic Analysis to assess harmonics distortion over time. ETAP CoSim platform also enables ETAP and 3rd party tools to co-simulate and solve large, complex, and multi-disciplinary system models—collectively via an efficient API surface. The ability to co-simulate with third-party software extends existing software capabilities into the multi-physics domain and greater situational awareness. This solution presentation will introduce the concepts of co-simulation and the flexible ETAP CoSim platform. The presentation will also highlight commercial use-cases of Phasor and Electromagnetic co-simulation using emtCoSim™ and Controller Hardware-in-the-Loop (CHIL).
eMT™ - Electromagnetic Transient Program
This webinar demonstrates EMT simulations of AC power systems connected to power electronic interfaced renewables (both transmission or distribution levels), applications of FACTS devices, and synchronous condensers to mitigate network dynamic response concerns and representation of complex control systems.
Literature
White Papers
Training & Events

Training & Events
Get an in-depth insight to our electrical engineering software by requesting a training course that suits you.
